Låshus 410-50 Connect
låshus för ytterdörrar när det ställs höga krav på säkerhet
Lägg till en bevakning så meddelar vi dig så snart varan är i lager igen.
Låshus 410-50 Connect
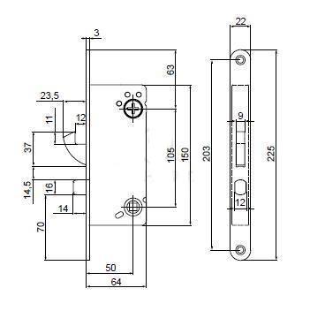
Assa Connect låshus 410-50 med hakregel
Monteras tillsammans med dubbel rund cylinder 1212, 712. (cylinder köpes separat)
Om du ska byta låshus och har oval cylinder och vred 560 på insidan rekommenderas Låshus 310.
När det ställs höga krav på säkerhet är låshus i 400-serien tillämpliga. Samtliga låshus i 400-serien har 360° tvingande utlåsning samt hakregelkonstruktion som ger ett kopplande starkt förband mellan dörr och karm
- Dorndjupsutförande 50 mm
- Certifierat enligt SS-EN 12209 och SS 3522 klass 3
- Ingår i av försäkringsbolag godkänd låsenhet
- Med tryckesfall och hakregel
- Härdad och tvångsstyrd hakregel
- Ger kopplande förband mellan dörr och karm
- Vändbar tryckesfall för alternativ dörrhängning
- Tryckesfall av stål för brandklassade dörrar
- Passande slutbleck 1487.
Funktion
- Hakregeln låses ut och in med nyckel eller magnetvredcylinder
- Tryckesfallen dras in med Handtaget
- Ska beslås med dubbla runda cylindrar för bibehållen säkerhetsklass. Används ett godkänt extra lås kan ett magnetvred användas på huvudlåset för upplåsning från insidan. För trädörrar tillkommer ett godkänt förstärkningsbehör. För 410/411-35 skall avsedda förstärkningsbehör användas
Välj modell i rullgardinen Höger eller Vänster. (bilden visar Vänster)
Passande slutbleck 1487 (köpes separat)
